العربية| توافر الحالة: | |
|---|---|
| الكمية: | |
بتدي
BEITE
نموذج وصف
نيوزيلاندا—□—□
يشير إلى علامة Beite الثابتة جهاز إمداد المياه بالضغط، الأول □ يشير إلى القطر الاسمي للخزان، والثاني □ يشير إلى أقصى عمل ضغط.
مثل نزغ-800-0.6
يشير a ثابت ضغط ماء إمداد جهاز مع a خزان قطر الدائرة ل 800 و a عمل ضغط ل 0.6 ميجا باسكال.
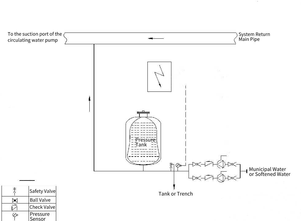
مبدأ العمل
في نظام الحلقة المغلقة، من أجل ضمان استقرار ضغط النظام، يلزم وجود جهاز توسيع قابل للتعديل.عندما ينخفض ضغط النظام، ينخفض أيضًا ضغط حجرة الماء الخاصة بخزان الضغط المتصل به، ويتوسع حجم حجرة الهواء، وينخفض الضغط أيضًا.عندما يقوم نظام التحكم بتعيين الحد الأدنى، يتم تشغيل مضخة المياه تلقائيًا لتجديد النظام حتى يتم الوصول إلى القيمة المحددة.يتم ضبط الحد الأعلى للضغط وتتوقف المضخة.عندما يتم تسخين الماء في النظام، تزداد درجة الحرارة، ويتوسع الحجم، ويتم ضغط غرفة الهواء، ويزداد الضغط في نظام الضغط.عند الوصول إلى القيمة الحدية، يدخل الماء الموجود في النظام إلى الموسع (أو خزان الماء المخفف) من خلال جهاز تحرير الأمان.ينخفض ضغط النظام أيضًا إلى القيمة المحددة ويوقف إطلاق الضغط، مما يحقق وظيفة تجديد الماء بالضغط المستمر.
المعايير الفنية
1. مصدر الطاقة: 380 فولت، 50 هرتز
2. نطاق إمداد المياه: 0 ~ 1000m3/h (راجع معلمات المضخة المرفقة لمزيد من التفاصيل)
3. نطاق الضغط: 0~2.0MPa، دقة ضبط الضغط: .010.01 MPa (يتم ضبطه وفقًا لمتطلبات الموقع)
4. التحكم في الطاقة: تحقق من معلمات المضخة المرفقة لمزيد من التفاصيل
5. عدد مضخات المياه: مجموعتين
6. وضع التشغيل: يدوي، تلقائي
7. درجة الحرارة المحيطة: 5-40 درجة مئوية، الرطوبة المحيطة: <90% (20 درجة مئوية)، بدون تكثيف
8. سائل النقل: الماء الصافي، درجة حرارة السائل: 0~70 درجة مئوية
9. مناسبة التثبيت: داخلي وخارجي
سمات
1. الضغط المستمر التلقائي، تجديد المياه التلقائي، وتصريف المياه التلقائي.
2. يمكن ضبط معلمات التشغيل بشكل تعسفي، وهي مناسبة لأي نظام مغلق لإمداد المياه بالضغط المستمر.
3. توفير الطاقة: قراءة معلومات النظام تلقائيًا وتشغيل الجهاز فقط عند الضرورة.
4. إنه يشغل مساحة صغيرة، وسهل التركيب والاستخدام، ويعمل تلقائيًا بالكامل، وآمن وموثوق، وسهل الصيانة.
5. موثوقة ودائمة - مصممة لعملية طويلة الأمد وبسيطة.
طلب
1.مركزية محلي ماء إمداد نظام في سكني المناطق، سكني البنايات، القرى و المدن.
2. Circulation مضخات و تبريد ماء إمداد أنظمة ل متنوع أنواع ل وسط هواء مكيفات.
3. محلي ماء إمداد أنظمة في إرتفاع عالى البنايات، الفنادق، مطاعم, إلخ.
4. شامل محلي ماء إمداد نظام ل الأسواق, مكتب البنايات و تجاري البنايات.
5. حار ماء إمداد، حار ماء التدفئة نظام و نار ماء إمداد نظام ل إرتفاع عالى البنايات.
6. إنتاج، محلي ماء إمداد، ثابت ضغط تدفق ماء إمداد عملية ل صناعي و التعدين الشركات, إلخ.
نموذج وصف
نيوزيلاندا—□—□
يشير إلى علامة Beite الثابتة جهاز إمداد المياه بالضغط، الأول □ يشير إلى القطر الاسمي للخزان، والثاني □ يشير إلى أقصى عمل ضغط.
مثل نزغ-800-0.6
يشير a ثابت ضغط ماء إمداد جهاز مع a خزان قطر الدائرة ل 800 و a عمل ضغط ل 0.6 ميجا باسكال.
مبدأ العمل
في نظام الحلقة المغلقة، من أجل ضمان استقرار ضغط النظام، يلزم وجود جهاز توسيع قابل للتعديل.عندما ينخفض ضغط النظام، ينخفض أيضًا ضغط حجرة الماء الخاصة بخزان الضغط المتصل به، ويتوسع حجم حجرة الهواء، وينخفض الضغط أيضًا.عندما يقوم نظام التحكم بتعيين الحد الأدنى، يتم تشغيل مضخة المياه تلقائيًا لتجديد النظام حتى يتم الوصول إلى القيمة المحددة.يتم ضبط الحد الأعلى للضغط وتتوقف المضخة.عندما يتم تسخين الماء في النظام، تزداد درجة الحرارة، ويتوسع الحجم، ويتم ضغط غرفة الهواء، ويزداد الضغط في نظام الضغط.عند الوصول إلى القيمة الحدية، يدخل الماء الموجود في النظام إلى الموسع (أو خزان الماء المخفف) من خلال جهاز تحرير الأمان.ينخفض ضغط النظام أيضًا إلى القيمة المحددة ويوقف إطلاق الضغط، مما يحقق وظيفة تجديد الماء بالضغط المستمر.
المعايير الفنية
1. مصدر الطاقة: 380 فولت، 50 هرتز
2. نطاق إمداد المياه: 0 ~ 1000m3/h (راجع معلمات المضخة المرفقة لمزيد من التفاصيل)
3. نطاق الضغط: 0~2.0MPa، دقة ضبط الضغط: .010.01 MPa (يتم ضبطه وفقًا لمتطلبات الموقع)
4. التحكم في الطاقة: تحقق من معلمات المضخة المرفقة لمزيد من التفاصيل
5. عدد مضخات المياه: مجموعتين
6. وضع التشغيل: يدوي، تلقائي
7. درجة الحرارة المحيطة: 5-40 درجة مئوية، الرطوبة المحيطة: <90% (20 درجة مئوية)، بدون تكثيف
8. سائل النقل: الماء الصافي، درجة حرارة السائل: 0~70 درجة مئوية
9. مناسبة التثبيت: داخلي وخارجي
سمات
1. الضغط المستمر التلقائي، تجديد المياه التلقائي، وتصريف المياه التلقائي.
2. يمكن ضبط معلمات التشغيل بشكل تعسفي، وهي مناسبة لأي نظام مغلق لإمداد المياه بالضغط المستمر.
3. توفير الطاقة: قراءة معلومات النظام تلقائيًا وتشغيل الجهاز فقط عند الضرورة.
4. إنه يشغل مساحة صغيرة، وسهل التركيب والاستخدام، ويعمل تلقائيًا بالكامل، وآمن وموثوق، وسهل الصيانة.
5. موثوقة ودائمة - مصممة لعملية طويلة الأمد وبسيطة.
طلب
1.مركزية محلي ماء إمداد نظام في سكني المناطق، سكني البنايات، القرى و المدن.
2. Circulation مضخات و تبريد ماء إمداد أنظمة ل متنوع أنواع ل وسط هواء مكيفات.
3. محلي ماء إمداد أنظمة في إرتفاع عالى البنايات، الفنادق، مطاعم, إلخ.
4. شامل محلي ماء إمداد نظام ل الأسواق, مكتب البنايات و تجاري البنايات.
5. حار ماء إمداد، حار ماء التدفئة نظام و نار ماء إمداد نظام ل إرتفاع عالى البنايات.
6. إنتاج، محلي ماء إمداد، ثابت ضغط تدفق ماء إمداد عملية ل صناعي و التعدين الشركات, إلخ.